FUNCTIONAL FEATURES
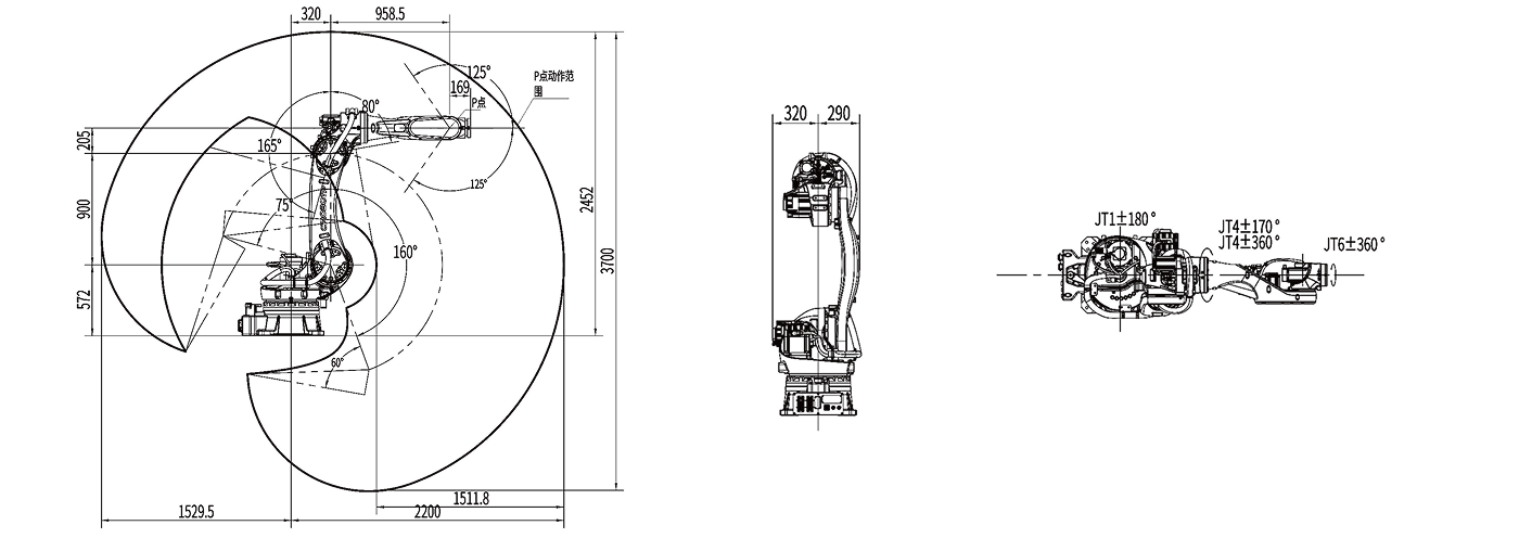
The arm span is 2.2 meters. lt has strong payload capacity, large working space and high flexibility.
With fast running speed and high repeated positioning accuracy, it has a wide range of applications such as loading and unloading, handling, sorting, assembly, etc.
Equipped with safety emboard which is ind
ependent of the control system, and the safety relay circuit is adopted to provide double-circuit emergency stop to ensure the reliability of emergency stop.
The robot body adopts highly flexible special cable.
Built-in three-phase filter can effectively improve the performance of EMC and EMl.
The robot body is with φ10 dual-circuit gas pipe to meet the handling demand
The single cantilever structure is adopted to reduce the terminal weight and improve its flexibility. The selectivity range of manipulators, tools and workpiece shapes is expanded.
Built-in cables and gas pipe. The hollow part is set at the center of the forearm and wrist. The cables andgas pipe are built in from the base of the robot to the end of the wrist, which is more convenient forusers and improves work efficiency.
High expansibility, multiple user bracket installation platforms are set on the robot body, which is convenient for users to fix cables and related auxiliary tools.
ROBOT BODY TECHNICAL PARAMETERS

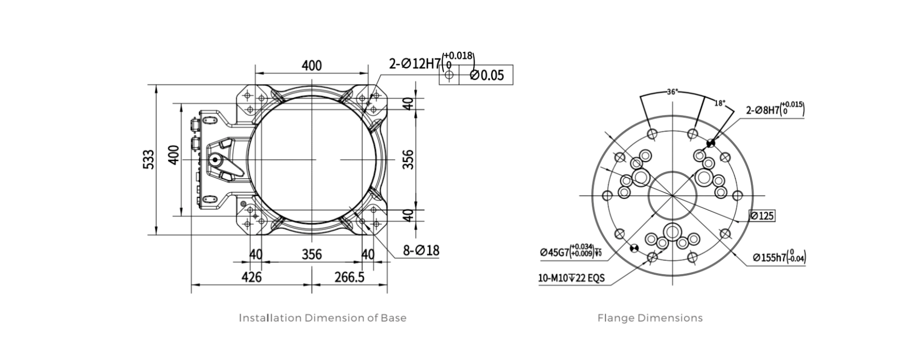
INSTALLATION INTERFACE DIAGRAM

MOTION RANGE DIAGRAM
