FUNCTIONAL FEATURES
With a reach of 2.65 meters, high rigidity,strong load bearing capacity, and smoother operation,it represents an improvement of about 2% compared to the previous generation.
The load capacity is 220kg, an improvement of about 5% compared to the previous generation.
The motor is built into the arm, giving a clean appearance and makingit suitable for working inconfined spaces, with more flexible movement.
Using high-speed, high-overload capacity servo motors, high-precious RV reduces, and the latest anti-vibration control strategies, the pitch operation time is shortened.
The entire machine installation occupies less space, enabling high-density installation and wiring, and supports collaborative operation of multiple units.
The robot has a simple structure, a user-friendly operation interface, and is easy to maintain.
ROBOT BODY TECHNICAL PARAMETERS

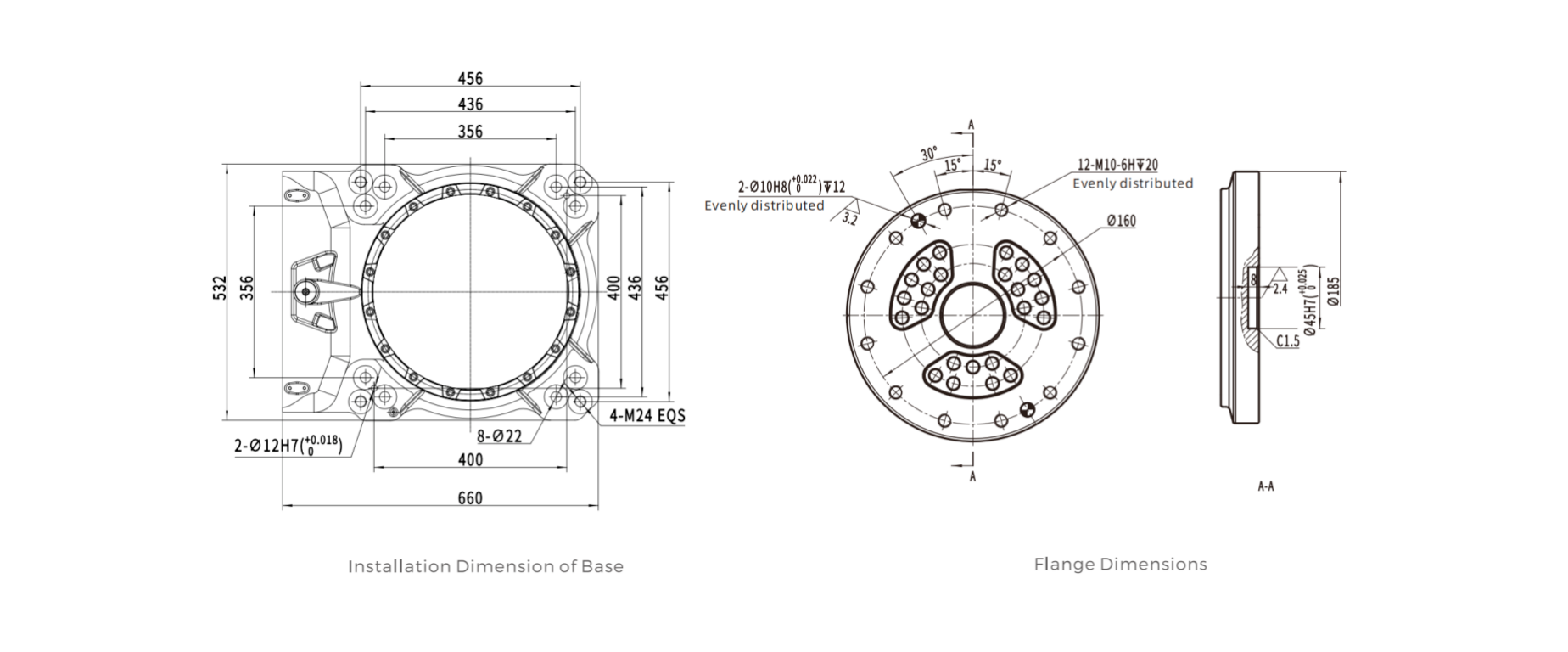
INSTALLATION INTERFACE DIAGRAM

MOTION RANGE DIAGRAM
