FUNCTIONAL FEATURES
Arm span of 2.13m, strong load capacity, large working range and high flexibility. Fast operation speed, repeated positioning accuracy, suitable for handing, assembly, grinding and other scenarios.
Built-in cables and trachea to reduce external interference, more convenient for customers to use and improve operation efficiency.
The safety emergency stop board independent of the control system is configured, and the imported forced disconnect relay is adopted to provide double-circuit emergency stop to ensure the reliability of emergency stop.
Built-in three-phase filter to effectively isolate external interference and prevent internal interference output.
The body provides dual air pipes to meet the needs of transportation.
ROBOT BODY TECHNICAL PARAMETERS

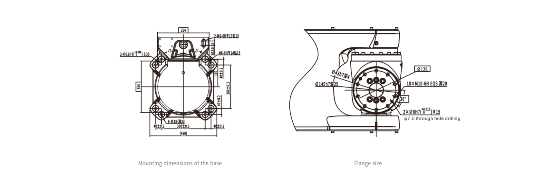
INSTALLATION INTERFACE DIAGRAM

MOTION RANGE DIAGRAM
