FUNCTIONAL FEATURES
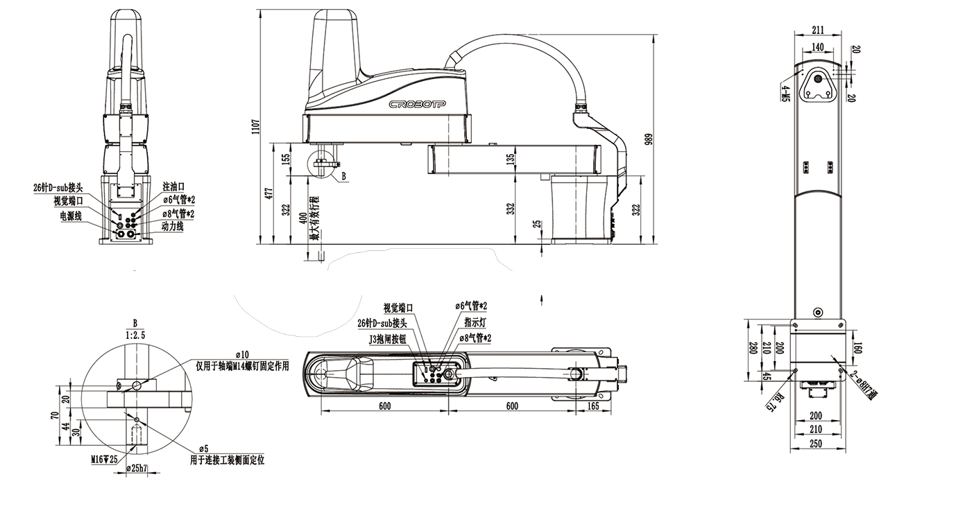
The maximum load of the robot can reach 60kg,the arm span can reach 1200mm,andthe effective travel of the Z-axis can meet 400mm;
Standard door type beat up to 0.79s,faster speed,fast handling;
Robot built-in 1 gigabit network cable,can meet the need for network cable communication,reduce cable interference;
The product structure is compact,the weight is only 120kg,combined with software algorithm processing,to achieve stable and efficient operation of the robot in practical applications.
ROBOT BODY TECHNICAL PARAMETERS

INSTALLATION INTERFACE DIAGRAM

MOTION RANGE DIAGRAM
