FUNCTIONAL FEATURES
With the features of high speed, high precision and high stability, CRP-RP15-15 can be adopted in more application scenarios;
Rod joint adopts high protection design so it has longer life span. And the robot has better performance in waterproof and dustproof with maintenance-free in usage period;
Equipped with special punching and palletizing package, customized interface to make operation be more convenient and easy.
J4 axis adopts higher rigid reducer so the robot has stronger bearing capacity;
The gravity compensation function ensures the accuracy of the robot at any position;
Adaptive acceleration can improve the life span of the robot and ensure reasonable acceleration of arbitrary trajectory to achieve more efficient movement.
ROBOT BODY TECHNICAL PARAMETERS

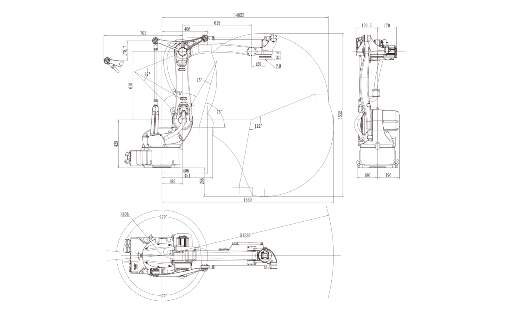
INSTALLATION INTERFACE DIAGRAM

MOTION RANGE DIAGRAM
