FUNCTIONAL FEATURES
Equipped with safety emergency stop board which is independent of the control system, and the safety relay circuit is adopted to provide double-circuit emergency stop to ensure the reliability of emergency stop.
The main cable adopts a flexible robot specific cable.
Equipped with a three-phase filter, effectively improving EMC and EMI performance.
Equipped with gravity compensation, load adaptation, and S-T function, the whole machine has higher accuracy, smaller impact, and faster typical working cycle.
Adopting parallel spring cylinders, it occupies a smaller area, consumes less power, and has smoother control.
Dual channel large-diameter trachea, meeting the requirements of high load vacuum suction cups.
ROBOT BODY TECHNICAL PARAMETERS

INSTALLATION INTERFACE DIAGRAM

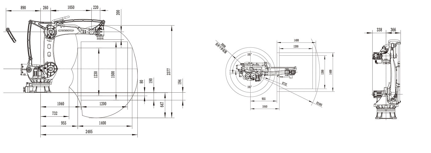
MOTION RANGE DIAGRAM
