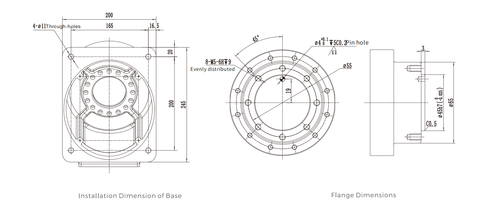
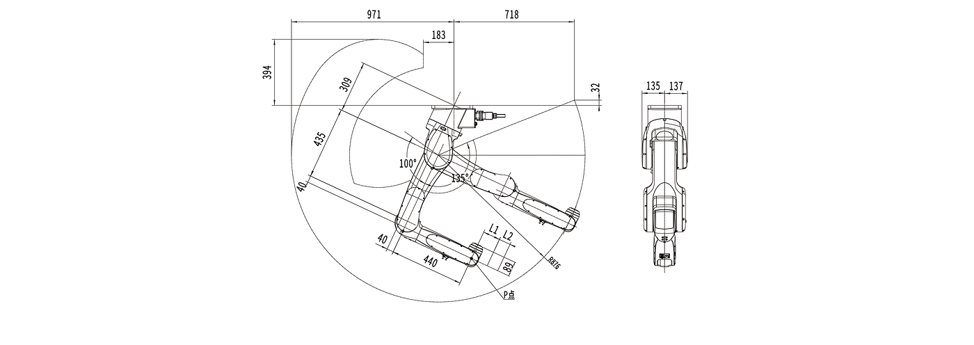
CRP-RA09A-07(T3)
CRP-RA09A-07 (T3) is mainly customized for the production and application of PCB board industry. It is applied in the loading and unloading process of PCB board industry. In order to adapt to the PCB industry, CRP robot with light weight, simple application, high speed and lower cost is launched to meet the needs of customers for robots.


