FUNCTIONAL FEATURES
Arm span 3.5 meters, high rigidity,strong load capacity, more stable operation.
With a hollow arm structure and a built-in wrist cable, there is no need to consider the interference caused by external winding with neighboring robots or peripheral equipment.
Arm motor built-in, simple appearance, suitable for small space operation, more flexible movement.
According to the user's use scenario, provide a variety of optional configurations, can be used for spot welding,handling, grinding,assembly and other production lines.
The main cable adopts the special cable for flexible robot.
Built-in three-phase filter to effectively improve EMC and EMl performance.
The use of high-speed, high-overload capacity servo motor, high-precision RV reducer and the late stanti-vibration control strategy, shorten the pitch operation time and significantly reduce the cycle time.
ROBOT BODY TECHNICAL PARAMETERS

INSTALLATION INTERFACE DIAGRAM

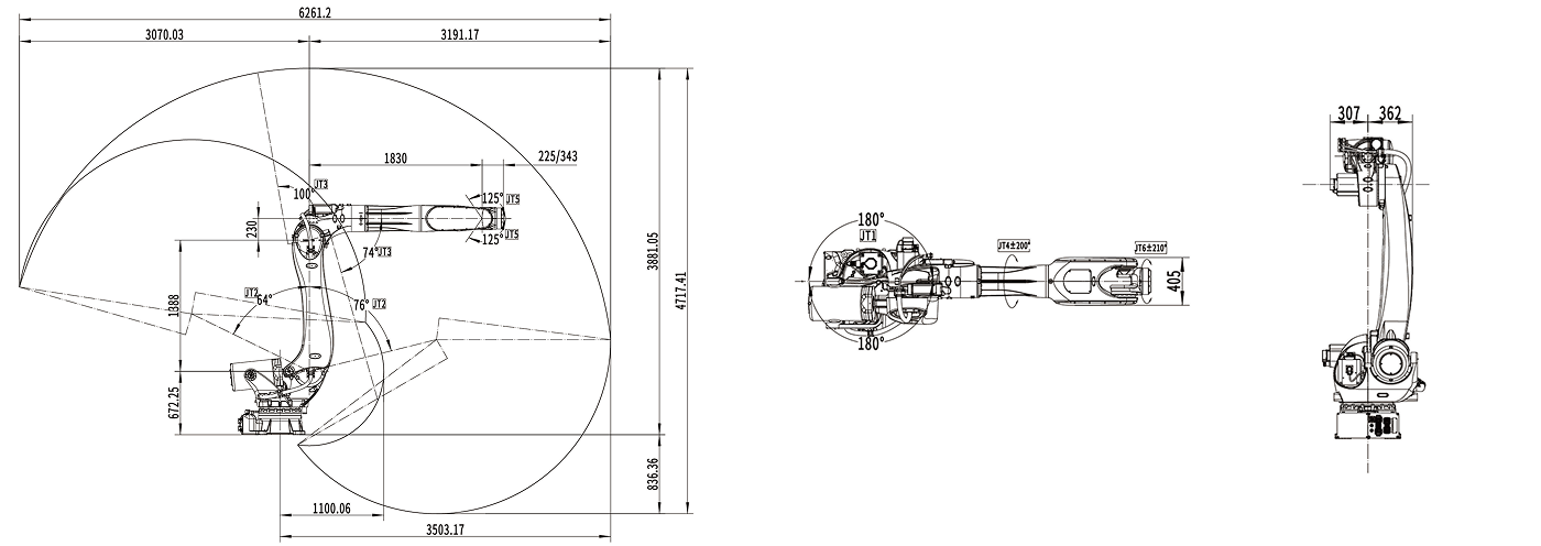
MOTION RANGE DIAGRAM
