FUNCTIONAL FEATURES
High rigidity,strong load capacity, more stable operation.
The body adopts the hollow arm structure and the built-in wrist cable, without considering the interference with the adjacent robot or peripheral equipment caused by the external winding mode.
Motor built-in, simple appearance, suitable for small space operation, more flexible movement.
According to the user's use scenario, provide a variety of optional configurations, can be used for spot welding, riveting, handling,grinding, assembly and other production lines.
The robot body cable adopts the special cable for flexible robot.
The robot body can be configured Φ 12 double circuittrachea to meet the needs of welding and handling.
Speed, high overload capacity servo motor, high precision RV reducer and the latest anti-vibration control strategy,shorten the pitch operation time.
The installation area of the whole machine is small, which can achieve high density installation and wiring,and multiple units work together.
The robot has simple structure, friendly operation interface, easy maintenance and easy operation.
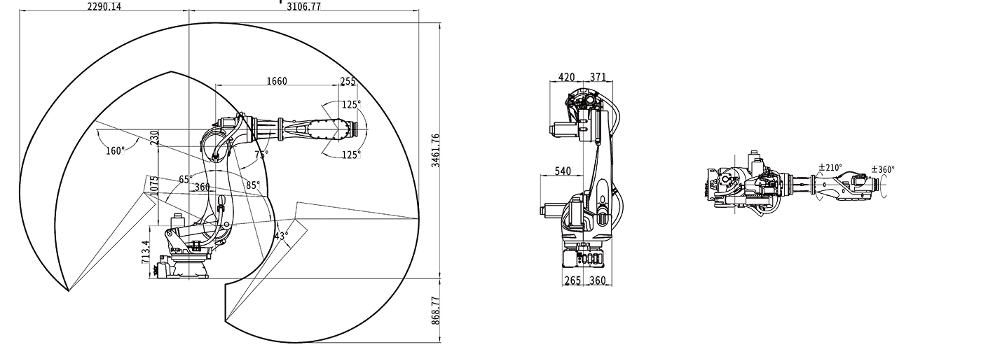
ROBOT BODY TECHNICAL PARAMETERS

INSTALLATION INTERFACE DIAGRAM

MOTION RANGE DIAGRAM
