FUNCTIONAL FEATURES
The design of the robot is highly compact, which is more light weight, especially the wrist is slender, so it can be applied in more scenarios.
Adopt high speed motor, the robot has high rigidity and faster beat: Adopt leak-proof structure, the protection class of robot is up to IP 67 to adapt harsher working environment.
The robot in the axes of J2 J3 J4 is reserved installation holes to install fixed solenoid valve and other accessories. There are IO port and dual-circuit gas pipe at J3 axis to meet the handling application.
Driving adopts new advanced PID control technology to achieve faster response; With the functions of observer dynamic compensation and weak magnetism, the electric machine can be better controllable and more stable with higher speed.
The new control algorithm combines Kinematics with Dynamics. The new design integrates driven algorithm and control algorithm to realize automatic programming and guarantee the service life of mechanical under the maximum working capacity based on the characteristics of mechanical components load and condition of loading. Meanwhile, the robot can realize high speed response, faster running speed and work beats with longer life span.
With collision detection function, it can better protect the robot body and peripheral equipment; With the function of gravity compensation, the robot has higher precision, so it can be applied in more scenarios.
Equipped with safety emergency stop board which is independent of the control system, and the safety relay circuit is adopted to provide double-circuit emergency stop to ensure the reliability of emergency stop. Built-in three-phase filter can effectively improve the performance of internal and external distractions.
ROBOT BODY TECHNICAL PARAMETERS

INSTALLATION INTERFACE DIAGRAM

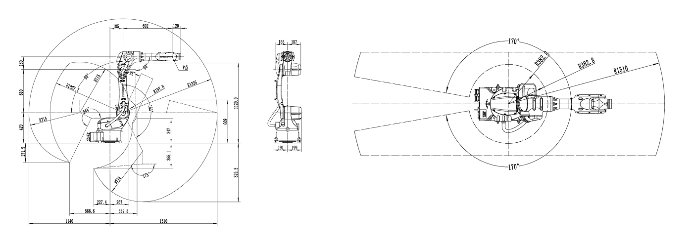
MOTION RANGE DIAGRAM
