FUNCTIONAL FEATURES
The arm span is 1.4 meters. The design is highly compact and can be flexibly in stalledon the ground or upside down.
With large working space, fast running speed and high repeated positioning accuracy.it is suitable for wide range of welding applications.
The safety emergency stop board independent of the control systemis equipped with.and the safety relay circuit is adopted to provide double-circuit emergency stop toensure the reliability of emergency stop.
The robot body adopts highly flexible special cable.Built-in three phase filter can effectively improve the performance of EMC and EMl.
The robot body is with dual-circuit gas pipe to meet the welding demand.
The inner diameter of 6-axis middle hole is 44mm,it can meet theinstallation.
Bulit-in high flexible welding cable.
ROBOT BODY TECHNICAL PARAMETERS

INSTALLATION INTERFACE DIAGRAM

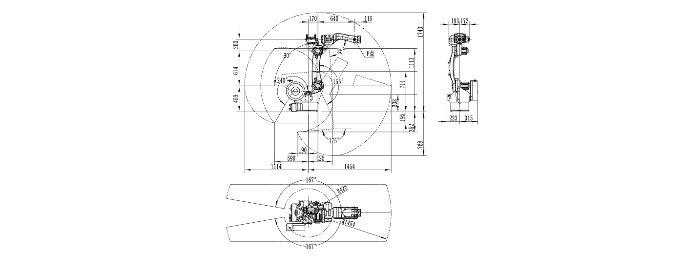
MOTION RANGE DIAGRAM
