Welding Robot Series

CRP-RH18-06-W

INDUSTRIAL ROBOTWELDING APPLICATION

FUNCTIONAL FEATURES

Use high-speed motor, and do software optimization, the overall beat is 20% faster than the previous generation;

Lighter weight,smaller forearm size, better accessibility;

High protection :1,2 shafts are equipped with dustproof cover, and fully surrounded welding gun is used at the same time;

J4,J6 axis hollow structure, can use hollow welding gun;

Built-in user line, gas pipe, welding cable,smooth body, clean appearance.

ROBOT BODY TECHNICAL PARAMETERS


CROBOTP  Robot Technology Co., Ltd.

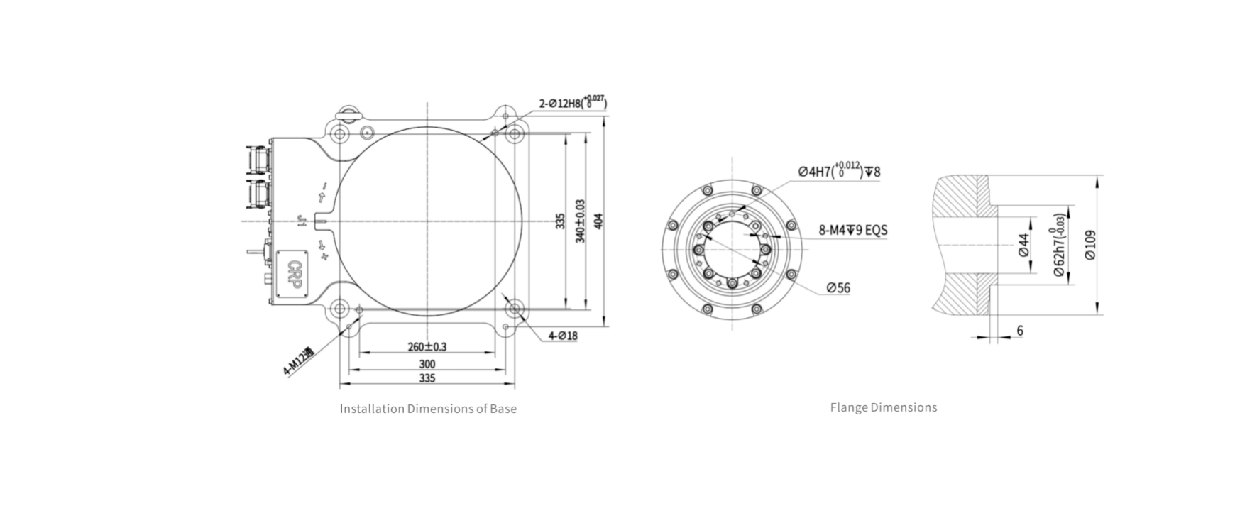
INSTALLATION INTERFACE DIAGRAM

CROBOTP  Robot Technology Co., Ltd.

MOTION RANGE DIAGRAM

CROBOTP  Robot Technology Co., Ltd.



热门推荐

Home
Product
Case
Contact